Hero Image

SC 2 - Manuel d'utilisation

1. PREMIERS PAS

Félicitations pour votre achat de l'affûteuse pour scies à ruban et scies circulaires ELITE modèle SC 2.

Lisez ce guide avant de commencer.

La SC 2 est une affûteuse automatique de scies à ruban et de lames de scies circulaires nécessitant peu d'entretien. Pour l'affûtage et le réglage des dents droites et des dents droites espacées dans les scies à ruban de 10 à 70 mm de large (0,4" à 2-3/4")

Il permet également d'affûter des lames de scies circulaires en acier ou CV de 110 à 600 mm (4-1/3" à 25,5")

Vous pouvez consulter le catalogue de produits sur le lien suivant: ELITE modèle SC 2

Ce manuel vous présente les principales fonctions de la meuleuse afin d'éviter les risques pour votre santé ou pouvant entraîner une panne ou une usure prématurée de la machine.

En cas de doute, veuillez nous contacter ou contacter l'un de nos distributeurs agréés.

Note informative : L'utilisation décrite dans le manuel de cette machine à affûter les lames de scie circulaire qui y est décrite peut présenter quelques variations d'utilisation car nos machines sont sujettes à d'éventuelles modifications de construction, en fonction de l'incorporation des avancées technologiques dans notre affûtage équipement.


2. SÉCURITÉ

2.1.Règles de sécurité

Observez et appliquez attentivement les règles de sécurité suivantes, le non-respect de ces règles peut entraîner des blessures ou endommager la machine elle-même.

L'installation et l'entretien de la machine décrits dans ce manuel doivent être effectués uniquement par des opérateurs familiarisés avec son fonctionnement et disposant de connaissances techniques suffisantes.

Les affûteuses ELITE de la gamme modèle SC 2 ont été conçues pour l'affûtage des scies à ruban et circulaires à l'exclusion de tout autre type d'opération.

peligro-tension.webp

DANGER HAUTE TENSION

peligro.webp

DANGER D'ACCIDENT

gafas

DANGER DÛ À LA PROJECTION D'ÉTINCELLES

calzado

PORTER DES CHAUSSURES DE PROTECTION

guantes

DANGER DES OUTILS TRANCHANTS

acustica

UTILISER DES PROTECTEURS AUDITIFS

Ces avertissements n'incluent pas tous les risques possibles qu'une mauvaise utilisation de la machine pourrait entraîner. Pour cette raison, l'opérateur doit procéder avec prudence et en respectant les règles.

2.2.Utilisation et stockage du manuel d'instructions

Ce manuel d'instructions doit être lu et compris par tout le personnel qui entre en contact avec la machine.

Ce manuel est pour:

  • Indiquer l'utilisation correcte de la machine selon le type de travail à effectuer.
  • Fournir les instructions nécessaires pour le transport, le réglage et l'entretien de la machine.
  • Faciliter la commande de pièces détachées et l'information des risques.

Limites d'utilisation du manuel:
La machine est destinée à un usage professionnel et, par conséquent, l'expérience de l'opérateur est requise et d'une importance vitale.

Importance et conservation du manuel:
Ce manuel doit être considéré comme faisant partie de la machine et doit donc y être attaché jusqu'à la fin de son utilisation.

Informations complémentaires et précisions:
L'utilisateur, le propriétaire ou la personne chargée de l'entretien peut contacter le fabricant pour demander toute information supplémentaire sur l'utilisation de la machine et les modalités possibles d'intervention d'entretien et de réparation.

Expiration de la responsabilité:
Le fabricant est considéré comme exonéré de toute responsabilité en cas de:

  • Mauvaise utilisation de la machine
  • Utilisation de la machine par des personnes non formées
  • Défaillances graves dans la maintenance planifiée
  • Interventions ou modifications non autorisées
  • Utilisation de pièces de rechange non originales.

2.3.Déclaration de conformité

La société par la présente:
Elite Machines, SLU Joan Oro, 27
ES-08635 Sant Esteve Sesrovires

Déclare que le produit indiqué ci-dessous, de par sa conception et sa construction, ainsi que la version mise sur le marché par notre société, est conforme aux exigences fondamentales obligatoires de santé et de sécurité de la directive CE.

Cette déclaration perd sa validité en cas de modifications non autorisées du produit.

Nom du produit: ELITE modèle SC 2
Type de produit: Affûteuse automatique de scies à ruban et circulaires
Numéro de série: __

Compétences de la directive CE:

  • Directive CE sur les machines (2006/42/CE)
  • Directive européenne sur la compatibilité électromagnétique (2014/30/UE)
  • Les objectifs de protection de la directive CE basse tension (2006/95/CE) ont été remplis conformément à l'annexe I, nr. 1.5.1 de la directive machines 2006/42/CE

La documentation technique a été compilée par le représentant légal de la documentation :

Sergi Valls Gramunt
Joan Oro, 27
ES-08635 Sant Esteve Sesrovires

Date / fabricant - Signature: __
Données signataires : Sergi Valls Gramunt, gérant


3. DONNÉES TECHNIQUES

Dans le tableau d'information suivant, retrouvez la liste des caractéristiques techniques de l'affûteuse décrite dans ce manuel.

DONNÉES TECHNIQUES ELITE SC 2
Largeur scie à ruban De 10 à 70 mm. (0,39" à 2,75")
Épaisseur de scie à ruban De 0,5 à 1,5 mm. (0,019" à 0,06")
Pas de dent De 5 à 30mm. (0,19" à 1,18")
Profil dentaire Droit et droit espacé
Vitesse de travail 54 dents/minute. Disponible en option avec régulateur de vitesse électronique de 10 à 60 dents/minute.
Meule RPM Env. 3000 tr/min
Moteur de meule 0,55 kW
Diamètre de la lame de scie De 110 à 600 mm. (4.3" à 23.6")
VERSIONS DISPONIBLES
Modèle Taille de l'emballage Poids
SC 2 980 x 810 x 1710 mm. 122 Kg.
SC 2 + TR 2 980 x 810 x 1710 mm. 150 Kg.
SC 2 + TR 3 980 x 810 x 1710 mm. 180 Kg.

4. TRANSPORTS

Le SC 2 est livré emballé dans une caisse en bois.

Pendant tout le transport et le transfert, la machine doit être maintenue dans sa position verticale d'origine, toute variation de cette position peut entraîner la perte de la garantie.
SC%202%20Embalaje

Modèle de machine Dimensions (mm) Poids (kg)
SC 2 1600 x 900 x 700 100

4.1.Instructions pour le déballage et la mise en place

Faire particulièrement attention lors du levage de la charge: La charge peut ne pas être centrée!

Pour soulever ou déplacer la charge, utilisez un chariot élévateur avec des lames suffisamment longues pour supporter la machine, en tenant compte de la largeur et de la profondeur de la machine lors du calcul des poids à soulever.

Pour déballer, retirez le panneau avant et tous les verrous en bois ou vis de fixation des pieds de la machine.
SC2%20anclaje%20palet

Description du verso

  • W Anneau pour le transport de la machine sans emballage
  • Z Logement de tige réglable en hauteur pour rouleaux
  • X Interrupteur principal (jaune - rouge)

A l'arrière se trouve un anneau (W) pour le transport de la machine. Une fois la machine transférée vers sa destination finale de travail, vous devez fixer la machine au sol à l'aide des 4 vis placées sur le support de base de la machine. Si cela n'est pas fait, il y a un risque élevé de renversement de la machine et de blessures graves au personnel et à la machine elle-même.

Une fois la machine à son emplacement définitif, vous pouvez également retirer le film protecteur et autres protections des composants, qui maintiennent et empêchent la machine de bouger.

Insérez la tige avec les rouleaux dans son emplacement vertical (Z) à l'arrière de la machine. Déplacer les molettes de manière à ce qu'elles puissent maintenir en place l'anneau de la lame lors des opérations de réglage et d'affûtage. Bloquez l'extrémité inférieure du support à l'aide des boulons que vous pouvez trouver dans le boîtier. Chaque rouleau est utilisé pour une opération spécifique.
SC2%20Roll

Le rouleau pour SETTING doit être positionné à 3-4 cm. de la tige horizontale. Le rouleau d'AFFÛTAGE doit être positionné à 15-20 cm de la tige horizontale.
SC2%20roll_2


5.INSTALLATION

5.1.Placement des machines

Avant tout travail s'assurer que la machine est bien alignée et n'oscille à aucune de ses extrémités, auquel cas elle doit être calée pour éviter les mouvements. Pour son niveau correct, il est nécessaire d'utiliser un outil de nivellement. Ce contrôle doit être effectué à la fois longitudinalement et transversalement.
nivel-de-burbuja
Un mauvais nivellement de la machine peut provoquer des vibrations indésirables et une usure prématurée des guides linéaires.

peligro

AVERTISSEMENT : La machine ne doit en aucun cas être utilisée par du personnel non qualifié ou non autorisé.

5.2.Raccordement électrique

peligro-tension.webp

DANGER HAUTE TENSION!

Le raccordement électrique de la machine doit être effectué uniquement par un personnel technique qualifié à la tension indiquée sur la commande de la machine / plaque signalétique de la machine.
Pour tout doute sur la tension, consulter le fabricant avant le raccordement.

Toute réclamation pour une connexion incorrecte sera hors garantie.

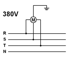
La machine est équipée d'une prise CE et doit être raccordée à un réseau triphasé** (380V) : ceci est inscrit sur l'étiquette au dos de la machine.
SC2%20Eletrical%20connection
Seul le câble de terre peut être connecté avec le câble jaune-vert au milieu (mise à la terre).

Note:

  • La machine peut fonctionner aussi avec du 220V triphasé. Dans ce cas, vous devez modifier la configuration du jeu de pinces. Ce changement peut être demandé au moment de la commande.
  • Sur demande, la machine peut être prédisposée pour être connectée à un réseau monophasé (220V).

Nous n'assumons aucune responsabilité en cas de mauvaise connexion électrique pouvant entraîner non seulement un mauvais fonctionnement de la machine, mais également des dommages aux personnes, aux animaux, aux choses.

N'oubliez pas: avant de connecter la machine, retirez toutes les protections dont la machine pourrait disposer pour protéger les composants pendant le transport.

5.3. Principaux composants de la machine

SC2%20Main%20components

A. Unité d'affûtage
B. Unité de réglage (en option)
C. Porte-rouleau de scie à ruban
D. Réglage du moteur de la machine et de l'unité de réduction (en option)
E. Panneau de contrôle
F. Moteur d'entraînement de l'unité d'affûtage
G. Moteur de rotation de la rectifieuse
H. Base

5.4.Panneau de contrôle

SC2%20Control%20panel%20description
Description des boutons :

  • o: Bouton START/STOP moteur de rotation de la meule
  • p: Voyant de tension secteur
  • q: Bouton d'urgence
  • r: Bouton START/STOP pour alimenter la scie à ruban de l'unité d'affûtage
  • s: Bouton START/STOP pour démarrer le réglage (en option)

6.MISE EN ROUTE

Dans cette section, nous vous montrons comment utiliser le SC 2 pour travailler.

Opération SC 2

Instructions

peligro

REMARQUE: Les données qui apparaissent dans les différentes images sont à titre d'exemple, chaque type d'outil a ses données recommandées et un opérateur qualifié doit les connaître.

Tourner l'interrupteur principal du tableau électrique situé à l'arrière de la base : le voyant P placé sur le tableau s'allumera indiquant que la machine est prête à être utilisée.
SC2%20On%20Off

Séquence d'opération correcte :

  • 1er. Opération : réglage
  • 2ème Opération : Affûtage

6.1 Prédisposition pour le réglage et préparation pour le réglage de la machine

Moteur à engrenages
SC2%20Gear%20motor%20unit

  1. Volant pour régler le mouvement de la machine (à la main)
  2. Réglage du moteur de la machine
  3. Unité de réduction

Direction du poussoir de dent R
SC2%20tooth%20pusher%20direction

Appareil de pose
SC2%20Setting%20machine

*M1. Marteau réglable (gauche)

  • M2. Marteau réglable (droit)
  • N. Support pour setter unit
  • O. Support pour coulissement de bande avec vis de réglage
  • P. Vis de réglage pour la fermeture de l'étau (préréglé : NE PAS MODIFIER)
  • Q. Vis de réglage du pas des dents
  • Poussoir à dents R.
  • S. Vis de réglage pour la quantité de réglage
  • T. Petits cylindres pour ouverture manuelle de l'étau
  • U. Plaque de support qui appuie sur la bande

6.1.1 Configurer la séquence

peligro

Faites attention lors de la manipulation de la lame lors de son installation : il faut être très prudent afin d'éviter de se blesser. Il est nécessaire de porter des gants de travail pour protéger l'opérateur de se blesser avec les dents de la scie.

Accrochez la lame sur le rouleau de gauche avec le dos de la lame tourné vers la partie arrière de la machine, les dents tournées vers la partie avant et les couteaux vers le sol.

Le résultat des opérations suivantes peut être vérifié en tournant à la main le volant, en observant le mouvement du régleur.

Ouvrir la plaque de support qui presse la bande (U) utilisée pour presser la lame. Tourner le volant (I) jusqu'à ce que les petits marteaux M1 et M2 atteignent l'ouverture maximale.
SC2%20Maximum%20opening

Ouvrez les mâchoires de l'étau et appuyez sur les deux petits cylindres T du dispositif de réglage, à l'aide de vos doigts.
SC2%20Push%20the%20pivot

Régler la hauteur du support coulissant de la lame (vis O), de manière à ce que seul le profil de la dent dépasse entièrement des mâchoires de l'étau. Fermez la plaque U sur les dents de la lame. En appuyant la lame contre le support, la plaque garantit un bon fonctionnement. En même temps, la lame peut bien glisser.
SC2%20Adjust%20high%20of%20bandsaw

Positionner correctement le pousse-dent R. Il ne doit pousser qu'une seule dent à la fois.
IMPORTANT : L'action de poussée parfaite du pousse-dents est très importante : toute l'opération de réglage en dépend.

Régler l'avance de la lame (vis de réglage Q) en conformité avec le pas des dents et le type de réglage. Les pointes des dents doivent atteindre la même trajectoire des petits marteaux
SC2%20Adjust%20the%20pushing%20action

Ajustez la quantité de réglage à l'aide de la vis de réglage (vis S) en changeant la course entre les deux petits marteaux (droit et gauche) qui se déplacent alternativement mais symétriquement, se déplaçant à la même vitesse. Augmentez ou diminuez la course des deux petits marteaux (droit et gauche) selon vos besoins. Vous pouvez également modifier la longueur des petits marteaux M1 et M2 à l'aide de l'écrou de réglage.
SC%202%20Rotate%20the%20knob

Faites tourner le volant I et observez le résultat que vous avez obtenu. Si vous n'obtenez pas un bon résultat, répétez l'opération en modifiant les valeurs.

6.1.2 Type de réglage

Ce poseur peut effectuer deux types de réglage :
SC2%20Type%20of%20setting
La machine est toujours préréglée pour le type de réglage.

Pour passer du type de réglage A au type de réglage B

En regardant le régleur de face : sur le côté droit il y a une came entre le régleur et le réducteur. Desserrez le boulon de serrage du roulement et déplacez le bras pousse-dent vers le corps de réduction et vissez la vis de serrage.
SC%202%20Loosen%20the%20clamping%20screw

Résultat de cette opération : le roulement qui se trouve sur le bras pousse-dent se déplace sur la partie de la came n'ayant que deux pointes : le réglage passera en type B (dents fléchies gauche/droite).

Type B

SC2%20type%20B
SC%202%20Right%20Left

Retour au type de réglage A

En partant de la came entre le régleur et le réducteur, desserrez la vis de serrage et poussez le bras pousse-dent vers le corps du régleur.
SC2%20Loosen%20the%20screw

Résultat de cette opération : le roulement qui se trouve sur le bras pousse-dent se déplace sur la portion de la came à trois pointes : le réglage reviendra en type A (dents fléchies droite/gauche/droite).

Type A

SC2%20Type%20A%20%282%29
SC2%20Type%20A


7. OPÉRATION DE TRAVAIL

7.1 Opération de réglage

La mise en marche du poseur n'est possible que lorsque le capot de protection mobile V devant les pièces mobiles est parfaitement fermé.
SC2%20Setter
V : Capot de protection mobile
Y : Capteur

SC2%20Frontal%20Control%20Board

Pour arrêter automatiquement la machine après un tour complet, placez un petit aimant (fourni avec chaque machine) sur le bord de la bande déjà fixée. L'aimant provoquera l'arrêt près du capteur Y.
Assurez-vous que la lampe p est allumée et que le capot de protection mobile V est fermé. Appuyez sur le bouton vert 1 (panneau à boutons-poussoirs) pour démarrer le setter.

7.2 Affûtage : prédisposition et fonctionnement

Description de l'affûteur
SC%202%20Sharpener%20description

  • d : Bouton d'ouverture de l'étau à lame
  • e : Bouton de réglage de l'avance du pousse-dents
  • f : Bouton de variation du pas des dents
  • g : Bouton de réglage de l'inclinaison du broyeur
  • h : Volant pour le mouvement manuel de l'unité de meulage
  • i:Bouton pour dent espacée
  • l : bouton d'entrée/sortie (profondeur de l'oesophage)
  • m : Potentiomètre pour le débit de sortie du broyeur (tooth back)
  • n : Levier pour le changement manuel du groupe broyeur

SC2%20Blade%20guide%20unit
Description : groupe guide-lame et pousse-dents

  • c : Bouton de réglage du guide-lame
  • d : Bouton d'ouverture de l'étau
  • z : Entretoise pour lames circulaires de petite taille
  • a : Graisseurs
  • b : Dispositif pour presser la lame
  • w : Support pour lames circulaires
  • t : Capteur
  • x : Guide-lame

Configurer la séquence
Pour cette opération, la machine doit être éteinte :

Retirez l'anneau de la lame dentée du rouleau gauche (réglage) et accrochez-le sur le rouleau droit (affûtage). Gardez le dos de la lame tourné vers l'arrière de la machine et les dents tournées vers la partie avant. Contrairement à l'opération précédente, les fraises doivent être tournées vers le haut.

Ouvrez le guide-lame à l'aide du bouton c et ouvrez l'étau à l'aide du levier d. Visser le bouton l afin de retirer l'unité d'affûtage de la scie à ruban.

SC%202%20Open%20the%20guide

Insérez la scie à ruban dans le guide-lame et fermez l'étau à l'aide du levier d. Tournez le bouton c pour alimenter la scie à ruban. Le gosier des dents doit dépasser du support fixe latéral de l'étau (environ 2 mm.).

SC%202%20Close%20the%20guide%20

A l'aide du bouton g débloquer le groupe meuleuse (attention : soutenir à la main tout le groupe) et régler l'inclinaison en fonction de l'angle de coupe de la scie à ruban.

SC2%20Supporting%20the%20grinding%20unit

Tourner le volant h : le pousse-dent provoque l'avance de la lame. Réglez-le à l'aide de la vis de réglage du pas de dent f.

Desserrez le bouton l : le groupe affûteur avance vers la lame de coupe. vérifier que la meule ne heurte pas la dent. Si la meuleuse heurte la dent, revenez au point précédent et réglez à nouveau le pas d'avance en l'augmentant.

Pour cette opération, la machine doit être allumée :

Appuyez sur les boutons r et o pour démarrer les moteurs d'avance et de rotation de la meuleuse.
SC2%20Start%20the%20feed
Régler la course d'entrée/sortie de la meule à l'aide du bouton l afin d'affûter l'ensemble de la fraise jusqu'au fond de l'arcade dentaire. A l'aide de la vis de réglage du pas e mettre la meuleuse en contact avec la fraise (éviter un démontage exagéré).

Régler la sortie du broyeur à l'aide du bouton m. Cette opération règle aussi l'affûtage du dos des dents. Retardant la sortie de la meuleuse, la meuleuse rectifie la fraise tandis que le poussoir à dents la fait avancer vers le bas.

Le bouton i doit généralement rester complètement desserré. Si vous utilisez une lame à dents espacées, utilisez ce bouton pour augmenter le temps de séjour du broyeur à l'intérieur de l'arcade afin de broyer également la partie droite de l'arcade.
SC%202%20blade%20witth%20standard%20tooth

SC%202%20Knobs
L'opération d'affûtage est maintenant réglée correctement et la machine peut fonctionner automatiquement et sans arrêt.

Pour arrêter automatiquement la machine après un tour complet, placez un petit aimant (fourni avec chaque machine) sur le bord de la bande déjà fixée. L'aimant provoquera l'arrêt près du capteur t.

IMPORTANT!
Le pousse-dent doit toujours pousser la dent qu'il est en train d'affûter. C'est la règle la plus importante à suivre lors de l'utilisation de tout type d'affûteur.
Une course trop courte ne permet pas à la lame d'avancer, alors qu'une course trop longue provoque un mauvais affûtage.

IMPORTANT!
Selon la forme de la dent que l'on veut obtenir, il faut donner une forme préalable à la meule comme indiqué dans le tableau d'information suivant :

Formas muelas ceramica.webp

7.3 Affûtage des lames circulaires

Pour affûter des lames circulaires, il est nécessaire de déplacer l'ensemble du guide-lame en le plaçant à l'arrière de la machine. Desserrez le boulon et retirez l'unité. Vissez-le à l'arrière de la machine (trou fileté).
SC2%20Manual

En cas de lames de diamètre <150 mm, utiliser l'entretoise z.
(Retirez l'entretoise z, desserrez l'unité de support w, connectez l'entretoise z sur le côté droit du guide tourné vers la droite, puis connectez l'unité de support w au entretoise).

**ATTENTION!

  • Vous ne pouvez affûter que des lames circulaires sans inserts et en acier.
  • La face arrière de la dent ne doit pas être > 20 mm.**

Pour cette opération, la machine doit être éteinte :

Fixez la lame de scie sur le support w approprié. Pour continuer à affûter la lame sur l'endroit approprié w groupe de support, dévisser le bouton dudit support et insérer la lame entre les deux pressions coniques. Le groupe support w lame circulaire peut coulisser le long d'un guide pour vous permettre d'affûter des lames de différents diamètres. Une fois la lame correctement positionnée, fermez le bouton du groupe w.
SC%202%20Sharpening%20blade

À l'aide du bouton g, débloquez le groupe meuleuse (ATTENTION : soutenez à la main tout le groupe) et réglez l'inclinaison en fonction de l'angle de coupe de la scie à ruban.
SC%202%20Supporting%20the%20grinding%20unit

Tourner le volant h : le pousse-dent provoque l'avance de la lame. Réglez-le à l'aide de la vis de réglage du pas de dent f.

Desserrez le bouton l : le groupe affûteur avance vers la lame de coupe. Vérifiez que la meule ne heurte pas la dent. Si la meuleuse heurte la dent, revenez au point précédent et réglez à nouveau le pas d'avance en l'augmentant.

Pour cette opération, la machine doit être allumée :

Appuyez sur les boutons r et o pour démarrer les moteurs d'avance et de rotation de la meuleuse.
SC2%20Frontal%20Control%20Board

Régler la course de la meule à l'aide du bouton l afin d'affûter l'ensemble de la fraise jusqu'au fond de l'arcade dentaire. A l'aide de la vis de réglage du pas e mettre la meuleuse en contact avec la fraise (éviter un démontage exagéré).

Régler la sortie du broyeur à l'aide du bouton m. Cette opération règle aussi l'affûtage du dos des dents. Retardant la sortie de la meuleuse, la meuleuse rectifie la fraise tandis que le poussoir à dents la fait avancer vers le bas.

Le bouton i doit généralement rester complètement desserré. Si vous utilisez une lame à dents espacées, utilisez ce bouton pour augmenter le temps de séjour du broyeur à l'intérieur de l'arcade afin de broyer également la partie droite de l'arcade.
SC%202%20Knobs

L'opération d'affûtage est maintenant réglée correctement et la machine peut fonctionner automatiquement et sans arrêt.
Pour arrêter automatiquement la machine après un tour complet, placez un petit aimant (fourni avec chaque machine) sur le bord de la bande déjà fixée. L'aimant provoquera l'arrêt près du capteur t.

7.4 Comment changer la meule


8.MAINTENANCE

8.1.Maintenance préventive

L'entretien des rectifieuses ELITE modèle SC 2 est très simple mais en même temps important.

Il se compose des éléments suivants :

  • Nettoyage des guides du chariot - Quotidien
  • Nettoyer et graisser les parties polies, au cas où la machine n'est pas utilisée pendant plusieurs jours, pour éviter l'oxydation.
  • Les salissures déposées dans la zone de travail doivent être vidées. N'UTILISEZ JAMAIS D'AIR COMPRIMÉ, il déplacera la saleté à l'intérieur des guides et des pièces mobiles - Chaque semaine.
  • Garder la machine propre et en bon état permettra une utilisation optimale à long terme.

Utilisez l'équipement uniquement dans des environnements secs. La température doit être comprise entre 5 et 40ºC. Une humidité relative supérieure à 90 %, ainsi qu'un environnement salin, provoqueraient une corrosion prématurée de la machine.


9.ACCESSOIRES ET CONSOMMABLES

9.1. Meules

La machine est équipée d'une meule de type :

Abrasitec ref. 5211-A - Meule ø150X6xø20 mm.

Pour remplacer la roue, suivez cette procédure :

  • Éteignez la machine
  • Appuyez sur le bouton d'urgence (ou débranchez la machine)
  • Retirez le couvercle du moulin, à l'aide d'une clé 20, desserrez le boulon qui se trouve au centre du moulin dans le sens des aiguilles d'une montre, puis remplacez-le et serrez le boulon dans le sens inverse des aiguilles d'une montre.
  • Débrancher le bouton d'urgence (ou brancher la machine)

9.2.Équipement

Équipement supplémentaire de la machine.

9.2.1.Variateur de vitesse

La machine peut être équipée d'une vitesse variable pour broyer plus lentement pour une meilleure qualité de surface et une mise en place facile. Le variateur de vitesse ne nécessite aucun entretien.

9.2.2.Réglage de l'appareil

La machine peut être équipée du modèle de dispositif de réglage ELITE TR 2 ou ELITE TR 3


10.GARANTIE

Toutes nos machines sont testées avant d'être expédiées. Cependant, il peut toujours y avoir des défauts qui ne sont pas observables à première vue.

Nos machines sont garanties contre tout défaut de fabrication ou de matière dans des conditions normales d'utilisation et d'entretien.
La durée de cette garantie est de 12 mois à compter de la date d'achat et consiste en l'échange du matériel défectueux.

La garantie sera automatiquement annulée en cas de modification extérieure à notre société. Ou dans les cas manifestes de mauvaise utilisation de la machine.

La garantie n'inclut pas les pièces soumises à une usure normale due à l'utilisation telles que les patins, la cartouche de lubrification, les abrasifs, etc.


11.PROBLÈMES ET SOLUTIONS

En cas de problème, lisez cette section. Les problèmes peuvent être résolus en agissant sur différentes valeurs :

  • Vous ne pouvez pas démarrer la machine.

Solution: Vérifiez que la machine est correctement connectée au réseau triphasé. Vérifier que la tension électrique correspond à celle indiquée sur la machine. Vérifier que les moteurs tournent dans le sens indiqué par les flèches, sinon inverser la position des deux fils sur la prise de courant.

  • La lame ne bouge pas.

Solution: Vérifiez la lame : elle peut avoir une dent de moins. En réglant le deuxième poussoir de dent, vous devriez résoudre ce problème. Pour cette opération : desserrez la vis u et réglez le deuxième poussoir de dent. Puis refermez la vis u.
SC%202%20Tooth%20pusher

  • Pendant l'affûtage, la machine vise à user la dent.

Solution 1: La hauteur de réglage n'est peut-être pas réglée correctement. À l'aide des boutons g ou e, réglez le pas d'alimentation de la bande.

Solution 2: Le bouton i utilisé pour régler le pas espacé peut être vissé. Si vous n'avez pas besoin d'espacement entre les dents, ce bouton doit être maintenu desserré.

Solution 3: La roue est peut-être trop usée et doit être remplacée.

Solution 4: La lame n'est peut-être pas positionnée correctement. Vérifier qu'il est libre de coulisser parfaitement le long de son guide.

  • La machine s'arrête inexplicablement.

Solution 1: Cela peut être dû à l'aimant utilisé pour l'arrêt automatique de l'opération d'affûtage. Vérifiez sa position et, si nécessaire, positionnez-la correctement.

Solution 2: Le capot de protection v est peut-être mal ouvert ou fermé.

Solution 3: Le bouton d'urgence q a peut-être été activé : désactivez-le.

Solution 4: Il peut y avoir une surchauffe du moteur due à une utilisation prolongée de la machine. Laissez les moteurs reposer pendant un moment, puis redémarrez la machine.

  • L'étau de réglage ne fonctionne pas correctement sur la lame ; vous utilisez des lames d'une épaisseur > 1 mm ou < 0,6 mm.

Solution : L'étau de réglage est préréglé pour des lames d'une épaisseur comprise entre 0,6 et 1 mm. Si vos lames ont une épaisseur différente vous devez utiliser la vis p : augmenter ou diminuer l'ouverture de l'étau (ATTENTION : épaisseur de lame MAX 1,2 mm).

Pour tout autre problème, contactez-nous : www.elite.es ou [email protected]


12.TÉLÉCHARGER LE MANUEL D'UTILISATION

FR - User Manual SC2.pdf


13.FAQ